Description
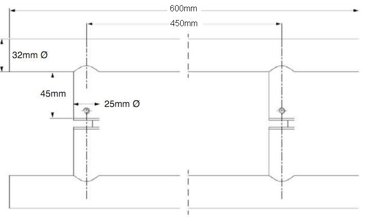
Guardsman style Pull handle back to back fixings.
Grade 316 Stainless Steel.
Size: 600 x 32mm.(Fixing centres 450mm
Finish: Satin Stainless Steel
This item is available whilst stocks last. Please contact us for availability of additional stock.



